Для перехода щелкните по ссылке на желтом фоне:

Главная Новости Каталог Вилки нагрузочные для кислотных аккумуляторов Вилки нагрузочные для щелочных аккумуляторов Вилки нагрузочные для
литий-ионных аккумуляторов
Прибор ИНП-110
для измерения емкости аккумуляторов
Испытательные нагрузочные приборы Тестер АСГ Сертификаты и Свидетельства Щупы круглые Цены (Прайс) Доставка Контакты Страница загрузки Карта сайта

Сразу перейти по ссылке:

Вилка нагрузочная ИнтерБалт для кислотных и щелочных аккумуляторов НК-500ЛЕ

Вилки нагрузочные ИнтерБалт для щелочных аккумуляторов ПАЩ-500, НЩ-500, НЩ-500У

Вилки нагрузочные ИнтерБалт для кислотных аккумуляторов НК-500, НК-600

Вилки нагрузочные ИнтерБалт многофункциональные НМ-300 (НМ-300Л)

Скачать весь Каталог "ИнтерБалт" одним файлом

Аккумуляторы и нагрузочные вилки "ИнтерБалт"

Вопросы рассмотренные в статье:

1. Общие сведения об аккумуляторах и батареях

2. Почему все аккумуляторы в батарее должны иметь одинаковую емкость

3. Зачем нужны нагрузочные вилки ИнтерБалт

4. Работа с нагрузочными вилками при заряде аккумуляторов

5. Работа с нагрузочными вилками при разряде аккумуляторов

6. Работа с нагрузочными вилками при выявлении отстающих аккумуляторов в батарее

7. Расчет экономической эффективности при использовании нагрузочных вилок

1. Общие сведения об аккумуляторах и батареях

Под аккумулятором подразумевается устройство, имеющее способность накапливать электрическую энергию (за счет прохождения химических реакций) при заряде от внешнего источника электрического тока, а при разряде (за счет обратных химических реакций) отдавать ее потребителю. В зависимости от применяемого электролита (а, следовательно, и химических реакций) аккумуляторы бывают кислотные и щелочные.

Аккумуляторной батареей называется несколько соединенных в общую цепь аккумуляторов.

Аккумуляторы широко применяются в народном хозяйстве - в составе аккумуляторных батарей - на железнодорожном транспорте, городском и промышленном электротранспорте, метрополитене, водном транспорте, в телефонной и радиосвязи, на водном транспорте, автомобильном транспорте и т. д. и т. п. - как основные или вспомогательные источники электроэнергии, как устройства резервного питания, как устройства стартерного запуска двигателей внутреннего сгорания.

Напряжение одного аккумулятора (одной банки) низкое и составляет для кислотных аккумуляторов 1,7...2,2 В, а для щелочных аккумуляторов 1,4...1,0 В. Поэтому аккумуляторы в большинстве случаев работают в составе аккумуляторной батареи.

Кроме напряжения, аккумуляторы характеризуются емкостью - количеством электричества которое может накопить аккумулятор при заряде. Емкость измеряется в Ампер-часах (амперы, умноженные на часы - Ач). Емкость 100 Ач означает, что этот аккумулятор может питать потребителя током 20 А в течение 5 часов, или током 10 А в течение 10 часов и так далее. При этом, в большинстве случаем, для тяговых щелочных аккумуляторов емкость указывается при их разряде током пятичасового режима разряда (например для аккумулятора емкостью 400 Ач ток 5-часового режима будет равен: 400 Ач : 5 часов = 80 А). Для кислотных аккумуляторов емкость указывается неоднозначно - для некоторых при 20-часовом режиме разряда, а для некоторых при 10-часовом режиме разряда (например, ток 20-часового режима разряда для кислотного аккумулятора емкостью 120 Ач равен: 120 Ач: 20 А = 6 А).

Для повышения напряжения, аккумуляторы в батарее соединяются последовательно - "плюс" предыдущего с "минусом" следующего. При этом общее напряжение батареи равно сумме напряжений соединенных аккумуляторов, а общая емкость батареи равна емкости одного аккумулятора.

Рисунок 1 - Последовательное соединение аккумуляторов в батарею.

Для повышения емкости батареи, аккумуляторы в ней соединяют параллельно - все "плюсы" с "плюсами", а все "минусы" с "минусами". При этом емкость батареи равна сумме емкостей соединенных параллельно аккумуляторов, а напряжение батареи равно напряжению одного аккумулятора.

Рисунок 2 - Параллельное соединение аккумуляторов в батарею.

Для повышения и емкости и напряжения аккумуляторы могут соединять смешано - часть аккумуляторов соединяется параллельно, а затем эти группы - последовательно. В этом случае емкость и напряжение рассчитывается в зависимости от включенных последовательно и параллельно аккумуляторов:

Рисунок 3 - Смешанное соединение аккумуляторов в батарею. Три группы (по четыре аккумулятора
в каждой, включенных параллельно) включены последовательно.

Необходимо подчеркнуть, что независимо от способа включения, все аккумуляторы в батарее должны быть одинаковой фактической емкости!

2. Почему все аккумуляторы в батарее должны иметь одинаковую емкость

Последовательное соединение: Предположим, что аккумуляторы в батарее соединены последовательно (рисунок 1), а к "плюсу" и "минусу" батареи подключена внешняя нагрузка. Паспортная емкость каждого аккумулятора 200 Ач. При этом один из аккумуляторов имеет пониженную (по сравнению с остальными емкость - половину их паспортной емкости - 100 Ач). Через нагрузку и через все аккумуляторы батареи течет ток нагрузки пятичасового режима разряда - 40 А. Запас электрической энергии в аккумуляторе пониженной емкости будет исчерпан через: 100 Ач : на 40 А = через 2,5 часа. В то же время в других аккумуляторах запас электрической энергии будет израсходован всего лишь наполовину, и они продолжат работать в режиме разряда еще 2,5 часа. Что произойдет с аккумулятором уменьшенной емкости? При полном его разряде напряжение на его клеммах станет равным нулю, в результате его "плюс" окажется подключенным к "минусу" соседнего рабочего аккумулятора, а его "минус" к "плюсу" другого соседнего рабочего аккумулятора. В результате аккумулятор уменьшенной емкости начнет заряжаться обратной полярностью - произойдет так называемая переполюсовка. При этом он будет забирать энергию у исправных аккумуляторов, снижать общее напряжение батареи и общую емкость. В результате, вместо 5 часов эффективной работы на нагрузку, батарея отработает намного меньше и потребует очередного заряда.

При заряде такой батареи произойдет следующее - все аккумуляторы паспортной емкости будут нормально заряжаться. Переполюсованный аккумулятор уменьшенной емкости сначала разрядится (т. е. часть внешней электрической энергии, которая должна пойти на его заряд, израсходуется на возвращение "нормальной полярности"), и только потом начнет нормально заряжаться. Конечно, он зарядится первым, так как его емкость меньше емкости остальных аккумуляторов и снова начнет работать как балласт - подводимая к нему электроэнергия заряда будет расходоваться на "кипение электролита" - т. е. на разложение электролита на водород и кислород.

Параллельное соединение: Предположим, что те же аккумуляторы соединены параллельно (рисунок 2) и, соответственно к выводам батареи подключена нагрузка. При разряде запас электрической энергии в аккумуляторе пониженной емкости так же будет израсходован через 2,5 часа. А остальные аккумуляторы будут нормально работать еще 2,5 часа. При понижении напряжения аккумулятора уменьшенной емкости ниже напряжении батареи, этот аккумулятор начнет заряжаться от остальных аккумуляторов. То есть, запасенная в них энергия пойдет не на питание полезной нагрузки, а на заряд аккумулятора пониженной емкости. В результате - этот аккумулятор снова будет работать как дополнительное сопротивление, снижать емкость и напряжение всей батареи и как результат - вместо 5 часов нормальной работы, батарея отработает меньше.

При заряде аккумулятор пониженной емкости зарядится первым и, до конца заряда остальных аккумуляторов, будет работать как дополнительное сопротивление, а подводимая к нему электроэнергия будет расходоваться на разложение электролита на водород и кислород.

Вывод: Исходя из вышеизложенного, наличие в аккумуляторной батарее одного или нескольких, отстающих по емкости (а соответственно и по напряжению) аккумуляторов (банок) приводит к неэффективному расходованию электроэнергии, снижению емкости всей батареи, к более частым ее зарядам и в конечном итоге более раннему выходу ее из строя.

Поэтому в батарею нельзя ставить аккумуляторы, имеющие различные паспортные емкости. Более того, все аккумуляторы в батарее должны быть примерно одинакового срока службы - нельзя в батарею, проработавшую 2-3 года, ставить новые аккумуляторы - они быстро выйдут из строя.

Батарея, собранная из новых (первоначально вводимых в эксплуатацию) аккумуляторов или батарея, собранная из отремонтированных со вскрытием корпуса аккумуляторов перед вводом в эксплуатацию должна подвергаться так называемому формированию.

В процессе эксплуатации необходимо проверять батарею на наличие отстающих аккумуляторов (глухарей). Так же периодически необходимо проводить уравнительные заряды и (или) контрольно-тренировочные циклы для всей батареи.

3. Зачем нужны нагрузочные вилки ИнтерБалт

Итак, мы установили, при эксплуатации аккумуляторной батареи недопустимо наличие в ней аккумуляторов пониженной емкости, переполюсованных, или отстающих по напряжению. Но как выявить такие аккумуляторы? Для этого предназначены нагрузочные вилки производства ИнтерБалт.

Вилки нагрузочные производства ИнтерБалт являются испытательным оборудованием и служат для выявления отстающих аккумуляторов в батарее методом сравнения с другими аккумуляторами в той же батарее, а также для определения степени заряда или разряда батареи или отдельных аккумуляторов.

Вилки нагрузочная ИнтерБалт типа НК-500 и ПАЩ-500 представляют собой устройство с вольтметром высокого класса точности имеющего двухстороннюю шкалу (для удобства работы), и сменное (подключаемое при необходимости) нагрузочное сопротивление Rнагр (см. рисунок 4).

V - вольтметр, Rнагр - сменное нагрузочное сопротивление
Рисунок 4 - Схема принципиальная вилок нагрузочных типа НК-500, ПАЩ-500.

Вилки нагрузочные ИнтерБалт типа НЩ-500, НЩ-500У, НК-600 дополнительно оборудованы амперметром - для замера тока отдаваемого аккумулятором на нагрузочное сопротивление вилки см. рисунок 5.

V- вольтметр, А - амперметр, Rш - шунт измерительный, Rнагр1 и Rнагр2 - плавно регулируемые нагрузочные сопротивления
Рисунок 5 - Схема принципиальная вилок нагрузочных типа НЩ-500, НЩ-500У, НК-600.

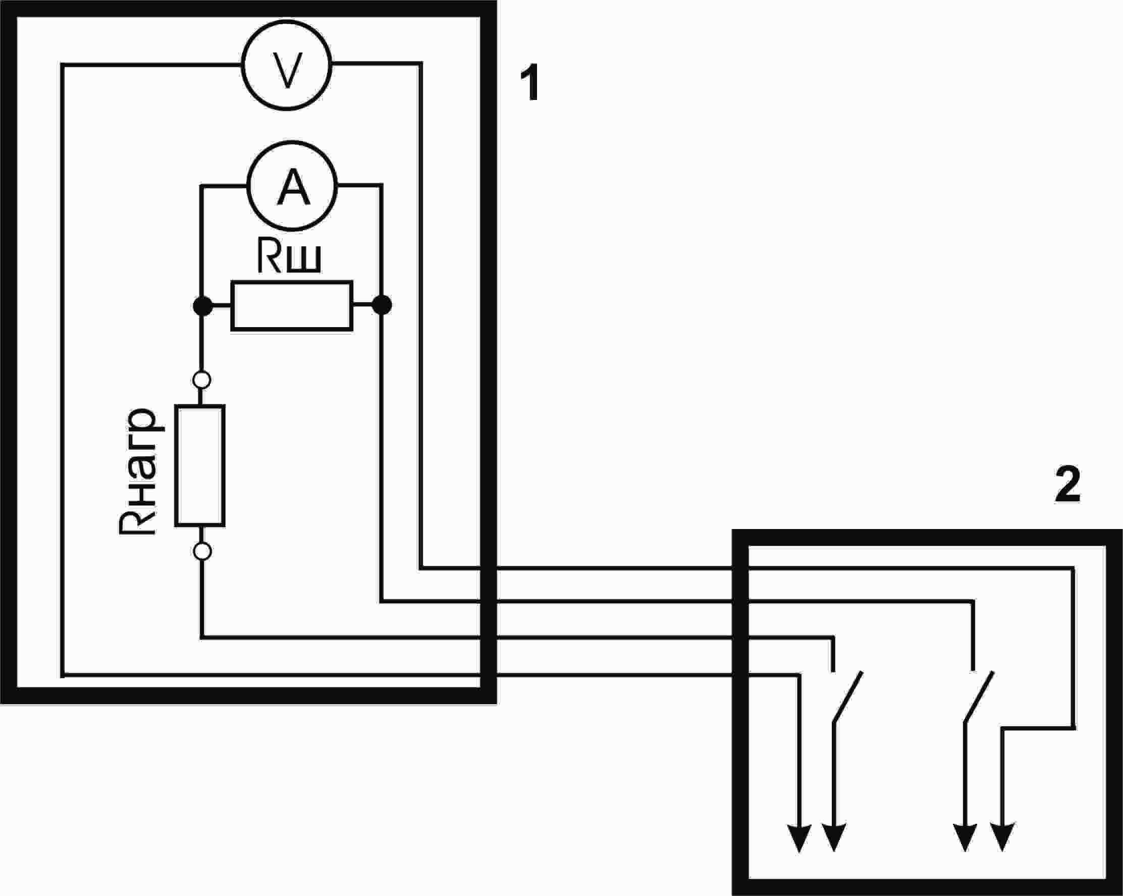
Вилки нагрузочные производства ИнтерБалт типа НК-250Д и НЩ-400Д имеют выносной пробник для работы в труднодоступных местах см. рисунок 6.

1- блок приборов, 2 - пробник выносной, V- вольтметр, А - амперметр, Rш -шунт измерительный, Rнагр сменное нагрузочное сопротивление
Рисунок 6 - Схема принципиальная вилок нагрузочных типа НК-250Д и НЩ-400Д.

Нагрузочное сопротивление вилки подбирается в зависимости от емкости и рекомендуемого производителем режима (тока разряда) разряда аккумулятора.

универсальная нагрузочная вилка ИнтерБалт, модель НМ-300 (НМ-300Л) представляет собой устройство с вольтметром высокого класса точности имеющего двухстороннюю шкалу (для удобства работы), и сменные (подключаемые при необходимости) нагрузочные сопротивления Rнагр (см. рисунок 7).

V - вольтметр, Rнагр - сменное нагрузочное сопротивление
Рисунок 7 - Схема принципиальная многофункциональной нагрузочной вилки НМ-300

4. Работа с нагрузочными вилками при заряде аккумуляторов

Вилки нагрузочные ИнтерБалт дают возможность контролировать степень заряда аккумуляторов при заряде от внешнего источника электроэнергии. Контроль производится путем замера напряжения аккумуляторов при протекании через них зарядного тока. Напряжение аккумуляторов в конце заряда должно быть:

- у щелочных аккумуляторов 1,7...1,8 В. Заряд ведут до тех пор, пока аккумулятору не будет сообщено необходимое количество ампер-часов, определяемое паспортными данными. При заряде плотность электролита у щелочных аккумуляторов не меняется, так же выделение газа не является признаком окончания заряда. Однако, при бурном газовыделении необходимо уменьшить зарядный ток. Щелочные аккумуляторы лучше перезарядить чем недозарядить, так как неполные заряды и глубокие разряды сокращают срок их службы.

- у кислотных аккумуляторов 2,6...2,7 В. Заряд ведут до тех пор, пока напряжение 2,6...2,7 В будет оставаться постоянным в течение 2-3 часов подряд. При этом плотность электролита перестанет повышаться, и будет наблюдаться обильное газовыделение. Следует отметить, что разложение воды и газовыделение у кислотных аккумуляторов начинаются задолго до конца заряда, поэтому это может служить признаком конца заряда только когда выполняются два других условия - неизменность плотности и постоянное напряжение.

Замер напряжения аккумулятора при заряде производится вилками нагрузочными ИнтерБалт без подключения нагрузочных сопротивлений вилки.

5. Работа с нагрузочными вилками при разряде аккумуляторов

Вилки нагрузочные производства ИнтерБалт дают возможность контролировать напряжение аккумулятора в конце разряда, тем самым, предотвращая глубокие разряды. Напряжение замеряется у каждого аккумулятора батареи при протекании через них тока внешней нагрузки. При этом нагрузочное сопротивление вилки не подключается. Напряжение аккумуляторов в конце разряда должно быть:

- у щелочных аккумуляторов не менее 1,0 В.
Напряжение 1,0 В при нагрузке током не большим тока пятичасового режима разряда говорит о том, что аккумулятор полностью разряжен.

- у кислотных аккумуляторов не менее 1,7...1,8 В.
Более точное напряжение конца разряда необходимо уточнять в паспорте на данный тип аккумулятора.

Замер напряжения аккумулятора при разряде производится вилками нагрузочными ИнтерБалт без подключения нагрузочных сопротивлений вилки

6. Работа с нагрузочными вилками при выявлении отстающих аккумуляторов

Выявить отстающие аккумуляторы в батарее можно при помощи нагрузочных вилок производства ИнтерБалт:

1-й способ - в режиме разряда батареи на внешнюю нагрузку замерять нагрузочной вилкой ИнтерБалт напряжение каждого аккумулятора (это желательно делать в конце разряда). При этом будут выявлены аккумуляторы отстающие по напряжению и переполюсованные. Нагрузочное сопротивление вилки при замерах подключать не следует.

2-й способ - при снятой внешней нагрузке батареи и при снятых перемычках, у каждого аккумулятора замерить нагрузочной вилкой ИнтерБалт напряжение без нагрузки, а потом напряжение под нагрузкой нагрузочным сопротивлением вилки (подключив нагрузочное сопротивление вилки). Сравнив эти напряжения можно выявить переполюсованные аккумуляторы и аккумуляторы, у которых падение напряжения под нагрузкой вилки превышает средний уровень.

Вилками ИнтерБалт, оборудованными вольтметром и амперметром, можно дополнительно замерить ток, отдаваемый каждым аккумулятором на нагрузочное сопротивление вилки, и, сравнив падения напряжений и токи всех аккумуляторов, выявить отстающие.

7. Расчет экономической эффективности при использовании нагрузочных вилок

Пример 1. Исходные данные - щелочная аккумуляторная батарея типа ВНЖ-300 пассажирского вагона. Емкость батареи 300 Ач, номинальное напряжение батареи - 50 В, общее количество аккумуляторов - 40 шт, номинальное напряжение аккумулятора - 1,2 В, все аккумуляторы в батарее включены последовательно.

Условия эксплуатации:
- Вагон находится в пути 4 суток, после чего 1 следуют сутки простоя;
- средний зарядный ток при зарядке - 50 А;
- средний ток при разряде - 50 А;

Принимаем средний ток, протекающий через аккумуляторную батарею - 50 А.

При наличии в батарее одного отстающего аккумулятора (банки), через эту банку при заряде-разряде течет ток 50 А (т. к. все аккумуляторы в батарее включены последовательно).

1. Потери мощности в отстающем аккумуляторе:
1,2 В · 50 А = 60 Вт.

2. Потери электроэнергии в отстающем аккумуляторе в течение 1 часа работы батареи при заряде-разряде:
60 Вт · 1 час = 60 Втч = 0,06 кВтч.

3. Потери электроэнергии в сутки:
60 Вт · 24 часа = 1440 Втч = 1,44 кВтч.

4. За месяц (30 дней) вагон работает 24 суток и 6 суток простаивает. Потери электроэнергии за месяц составят:
1,44 кВтч · 24 суток = 32,256 кВтч.
Округлив, принимаем потери электроэнергии за сутки 32,26 кВтч

5. При стоимости 1 кВтч электроэнергии 3,38 руб (стоимость электроэнергии для населения и приравненных к нему потребителей по Московской области на начало 2012 года), убытки за месяц составят:
32,26 кВтч · 3,38 руб = 109,0388 руб.
Округлив, принимаем 109,04 руб .

6. Убытки по перерасходу электроэнергии от одного отстающего аккумулятора на одном пассажирском вагоне за год составят:
109,04 руб · 12 месяцев = 1308,48 руб.

7. Для пассажирского состава из 10 вагонов, в половине из которых есть отстающие аккумуляторы,итого 5 вагонов имеющих по 1 отстающему аккумулятору в батарее, убытки по перерасходу электроэнергии за год составят:
5 вагонов · 1308,48 руб = 6542,40 руб.

8. Для пассажирского состава из 10 вагонов, в каждом из которых есть хотя бы один отстающий аккумулятор, убытки по перерасходу электроэнергии за год составят:
10 вагонов · 1308,48 руб = 13084,80руб.

9. Срок окупаемости нагрузочной вилки ПАЩ-500Л, при ее цене 6600 руб и при эксплуатации ее в составе пассажирского поезда из 10 вагонов, составит:
- для случая описанного в п. 7:
6600 руб / 6542,40руб = 1,008804109 года. Округляем до 1 года;
- для случая описанного в п. 8:
6600руб / 13084,48 руб; = 0,50441439 года. Округляем до 0,5 года.

Вывод: Срок окупаемости нагрузочной вилки ПАЩ-500Л при эксплуатации ее в составе только одного пассажирского поезда из 10 вагонов, оборудованных щелочными аккумуляторными батареями, составит от 0,5 до 1 года.

Примечания: Расчет произведен из предположения наличия на весь состав из 10 пассажирских вагонов от 5 до 10 отстающих аккумуляторов. На самом деле количество их может быть больше.
- Стоимость электроэнергии выработанной подвагонным генератором пассажирского вагона значительно выше стоимости электроэнергии, выработанной промышленными электрическими станциями, которая взята при расчете.
- В расчете учтены только убытки по перерасходу электроэнергии. В расчете не учитывались затраты на повышенный расход дистиллированной воды, потери, связанные с выходом из строя устройств системы автономного энергоснабжения вагона, обусловленные пониженым напряжением бортовой сети, и т. п.

Пример 2. Исходные данные - имеется кислотная аккумуляторная батарея SunLight 48 V 4 PzS 500, 48 В, 500 Ач электрического погрузчика
Режим работы - погрузчика номинальный (Работа в одну смену.
Допускается разряд батареи до 80 % С5 (С5- емкость 5-часового режима разряда) с рабочей температурой электролита 30 оС). Напряжение одного аккумулятора (банки) 2,0 В. Аккумуляторы в батарее включены последовательно.

Принимаем продолжительность рабочей смены 8 часов. После этого производится зарядка батареи в течение 10 часов.

1. Расчитаем средний ток при работе погрузчика (средний ток разрядки):
За смену работы батарея теряет 80 % емкости, это:
500 Ач · 80 % / 100 = 400 Ач.

Так как смена - 8 часов, то средний разрядный ток за смену составит:
400 Ач / 8 часов = 50 А.

2. Принимаем, что после 8 часов работы, батарея будет заряжаться 10 часов для восстановления израсходованной емкости. При этом зарядный ток (с учетом коэффициента отдачи аккумулятора, равного 0,85) должен быть:
400 Ач / 0,85 / 10 часов= 47,058823529 А.
Округлив, получим 47 А.

3. При наличии в батарее одного отстающего аккумулятора (банки), через эту банку при разряде протекает ток 50 А, а при заряде - ток 47 А (т. к. все аккумуляторы в батарее включены последовательно). Потери мощности в отстающем аккумуляторе составят:
При разряде:     2,0 В · 50 А = 100 Вт;
При заряде:    2,0 В · 47 А = 94 Вт.

4. Тогда потери электроэнергии в отстающем аккумуляторе за сутки составят:
При разряде: 100 Вт · 8 часов = 800 Втч = 0,80 кВтч;
При заряде: 94 Вт · 10 часов = 940 Втч= 0,94 кВтч.

Итого потери электроэнергии в отстающем аккумуляторе за сутки составят: 0,80 кВтч + 0,94 Втч = 1,74 кВтч.

5. Исходя из того что в месяце 22 рабочих дня, рассчитаем потери электроэнергии за месяц:
22 дня · 1,74 кВтч = 38,28 кВтч.

6. При стоимости 1 кВтч электроэнергии 3,38 руб (стоимость электроэнергии для населения и приравненных к нему потребителей по Московской области на начало 2012 года), убытки за месяц составят:
38,28 кВтч · 3,38 = 129,3864 руб. Округлив, получим 129,39 руб.

7. Убытки по перерасходу электроэнергии на одном отстающем аккумуляторе, имеющемуся в составе батареи электропогрузчика, составят за год:
129,39 руб · 12 мес = 1552,68 руб.

8. Срок окупаемости нагрузочной вилки НК-500, при ее цене 6200 руб, составит:
6200 руб / 1552,68 руб = 3,993095809 года. Округлив, получим 4 года.

Вывод: Срок окупаемости нагрузочной вилки НК-500, при эксплуатации ее с одним погрузчиком, имеющим в составе кислотной аккумуляторной батареи всего лишь один отстающий аккумулятор, составит 4 года. Соответственно: для 2-х погрузчиков (или для одного погрузчика, но при 2-х неисправных аккумуляторах в батарее) - срок окупаемости 2 года, для 4 погрузчиков (или для одного погрузчика, но при 4-х неисправных аккумуляторах в батарее) - срок окупаемости 1 год и т. д.

Примечания: В расчете учтены только убытки по перерасходу электроэнергии на заряд-разряд отстающего аккумулятора. Не учитывались расходы на повышенный расход дистиллированной воды, убытки от снижения   времени работы погрузчика из-за пониженной емкости его аккумуляторной батареи, убытки от увеличения  времени  простоя погрузчика под зарядкой.

Если Вы обнаружили в данной статье неточности, ошибки, несоответствия, опечатки и т. п. просим Вас сообщить об этом на электронную почту inbalt@mail.ru.

Для перехода щелкните по ссылке на желтом фоне:

Главная Новости Каталог Вилки нагрузочные для кислотных аккумуляторов Вилки нагрузочные для щелочных аккумуляторов Вилки нагрузочные для
литий-ионных аккумуляторов
Прибор ИНП-110
для измерения емкости аккумуляторов
Испытательные нагрузочные приборы Тестер АСГ Сертификаты и Свидетельства Щупы круглые Цены (Прайс) Доставка Контакты Страница загрузки Карта сайта